欢迎您访问楠疆电气(浙江)有限公司官网!
0577-6266 0077
English
网站首页
产品中心
应用案例
合作伙伴
关于我们
资质认证
新闻资讯
联系我们
产品列表
Product List
光伏元器件
光伏汇流箱
光伏并网箱
光伏成套
非智能不带防反汇流箱
充电桩
产品中心
Products
当前位置:
首页
»
产品中心
»
光伏并网箱
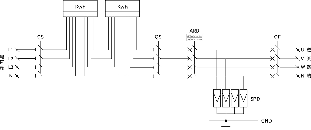
三表位配电箱
THREE-METER DISTRIBUTION BOX
线路图
布局图
查看更多相似产品
上一篇:
到顶了
下一篇:
5~8kW 单相光伏并网箱