欢迎您访问楠疆电气(浙江)有限公司官网!
0577-6266 0077
English
网站首页
产品中心
应用案例
合作伙伴
关于我们
资质认证
新闻资讯
联系我们
产品列表
Product List
光伏元器件
光伏汇流箱
光伏并网箱
光伏成套
非智能不带防反汇流箱
充电桩
产品中心
Products
当前位置:
首页
»
产品中心
»
光伏元器件
剩余电流保护断路器 ( 光伏自动重合闸 )
RESIDUAL CURRENT PROTECTS CIRCUIT BREAKERS
产品概述
NJM7EL 系列剩余电流保护断路器 ( 自动重合闸 ) 是本公司近年研制开发的新型产品,是一体式、多功能、过电流可调的断路器,适用于三相四线中性点直接接地 (TT 接地系统 ) 的低压电网,用来对人身触电危险提供间接接触保护,也可对线路或用电的接地故障、过电流、 短路等进行保护。
型号及含义
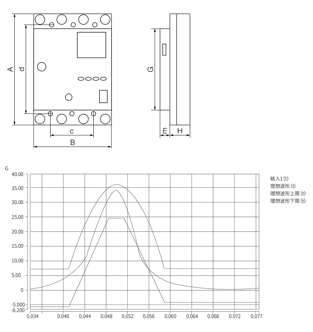
外形及安装尺寸
查看更多相似产品
上一篇:
直流塑料外壳式断路器
下一篇:
电能表外置断路器 ( 光伏费控 )